Why use GD&T in product definition?
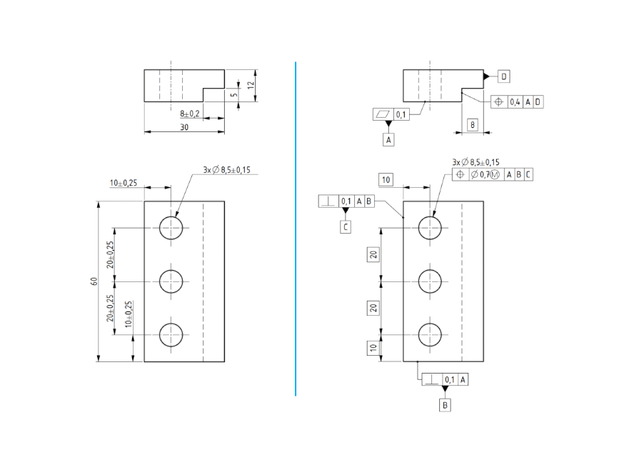
In product development and mechanical engineering, products are often still defined using traditional dimensions. Dimensions are limited and the functional relationship between surfaces, axes, and references remains implicit.
In practice, this leads to recurring problems. Position tolerances are applied without a functional datum concept. Datum references are incomplete or inconsistent. Production makes parts dimensionally accurate, but assembly fails due to the accumulation of geometric deviations. Metrology interprets tolerances differently than the design intended.
The core of the problem is not the tolerance value itself, but the way in which geometry is specified.
Do you have any questions?
Would you like to make an appointment for training, but still have questions? Check out our frequently asked questions here.
Certainly, the ISO standards have expanded considerably in recent years, especially with regard to measurement. Each customer has its own specific applications.
The best way to understand GD&T is to link theory to practice. This will give participants a better feel for the subject.
The standard two-day training is intensive, with customer drawings as a common thread. To work more specifically, a follow-up day is recommended. This gives participants time to look for examples and let everything sink in.
Contact us
If you have any questions, want to arrange training for yourself or your team or want more information about the BV Design’s services, just get in touch!
Would you like more information about the other courses?
Course Geometrical Dimensioning and Tolerancing (GD&T)
Course Model-Based Definition
Course Tolerance study
Course Drawing interpretation
